150A:5A 開口式比流器 K0240150
150A:5A 開口式比流器 K0240150 開口式電流互感器
本產品採開口式設計,安裝簡單、接線方便,主要用於 EMS 用電管理系統、用 電系統與設備之電流監測及系統改造項目,一般標準輸出為 AC 5A 信號,亦 有 AC 1A 輸出,支持較長距離訊號傳輸使用。具有體積小、精度高、保證精度 量程廣、安裝方便等優點,可提高施工效率。
品質保證:本公司全系列比流器通過CE認證,EN 61869-1:2009 ; EN 61869-2:2012及產品出廠全檢作業,以確保產品品質穩定。
–合適的比流器選型,可避免誤差過大或無法感應!
相關比流器原理、選型及注意事項,請點此連結。
(–如有任何選型疑問,或需技術交流,歡迎來電洽詢–)
性能特點:
*輸入輸出:150A / 5A or 1A
*額定負荷:1VA
*引線長度:1000±100mm(如有需求,引線可加長)
*精度:1級(7.5A-3%、30A-1.5%、150A-1%、180A-1%)
*內徑:24mm
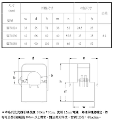
*尺寸:如下說明
精度說明:
1 級:量程範圍為額定電流的5% ~ 120%
—例如K0240150比流器,量測7.5A時精度在3.0%誤差內,量測30A時精度在1.5%誤差內,量測150A時精度在1.0%誤差內,量測180A時精度在1.0%誤差內。
*本公司提供多款貫穿式比流器及開口式比流器可供選擇,如有任何比流器安裝選型的需求,歡迎公司行號洽詢。 昊天科技有限公司, 電話:03-466-3985, 信箱: ht01@haotien.com, LINE: @haotien
描述
150A/5A 開口式比流器 K0240150 開口式電流互感器
規格尺寸:




*K0240050 開口式比流器 50A/1A 精度1級
*K0240100 開口式比流器 100A/5A 精度3級
*K0240150 開口式比流器 150A/5A 精度1級
*K0240200 開口式比流器 200A/5A 精度1級
*K0240250 開口式比流器 250A/5A 精度1級
*K0240300 開口式比流器 300A/5A 精度1級
*K0360300 開口式比流器 300A/5A 精度1級
*K0360400 開口式比流器 400A/5A 精度1級
*K0360500 開口式比流器 500A/5A 精度0.5級
*K0360600 開口式比流器 600A/5A 精度0.5級
*K0500600 開口式比流器 600A/5A 精度0.5級
*K0500700 開口式比流器 700A/5A 精度0.5級
*K0500800 開口式比流器 800A/5A 精度0.5級
*K0500900 開口式比流器 900A/5A 精度0.5級
*K0501000 開口式比流器 1000A/5A 精度0.5級
*K30200020 開口式比流器 20A/1A 精度1級
*K30200050 開口式比流器 50A/1A 精度1級
*K30200075 開口式比流器 75A/1A 精度1級
*K30200100 開口式比流器 100A/5A 精度1級
*K30200150 開口式比流器 150A/5A 精度1級
*K30200200 開口式比流器 200A/5A 精度1級
*K30200250 開口式比流器 250A/5A 精度0.5級
*K30200300 開口式比流器 300A/5A 精度0.5級
*K30200350 開口式比流器 350A/5A 精度0.5級
*K30200400 開口式比流器 400A/5A 精度0.5級
*K60400600 開口式比流器 600A/5A 精度0.5級
*K60400700 開口式比流器 700A/5A 精度0.5級
*K60400800 開口式比流器 800A/5A 精度0.5級
*K60401000 開口式比流器 1000A/5A 精度0.5級
*K60401500 開口式比流器 1500A/5A 精度0.5級
*K6040開口式比流器規格有 250~2000A/5A,歡迎詢問訂購
— K8040 開口式比流器:內徑82*42mm
*K8040開口式比流器規格有 300~3000A/5A,歡迎詢問訂購
— K10040 開口式比流器:內徑102*42mm
*K100400開口式比流器規格有 1000~5000A/5A,歡迎詢問訂購
*本公司開口式比流器可提供標準規格及客製化服務,如有任何開口式比流器安裝選型的需求,歡迎公司行號洽詢。











